Установка Lisik ODB2
Скачать
Установка:
- Распаковать и запустить.
Для Windows если ошибка отсутствия DLL установить vc_redist.x64.exe
Необходимое оборудование
USB-Lan
Похоже все USB-Lan работают на Realtek, если он рабочий и PC его вообще видит.
Лучшие чипы : RTL8153 или RTL8152B.
На ASIX чипах, не работает Samsung.
Примеры:
- ExeGate EXE-730-45
- Hoco UA35
- TP-LINK UE200 USB 2.0
- Адаптер переходник RJ45 to Type-C (100Мб/с),
- Type-c-концентратор 8 портов, хаб Type-C, USB, micro SD
- И т/д…
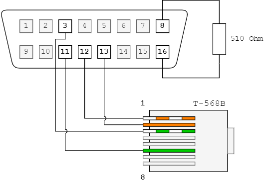
RJ45 <-> ODB2
Все нормальные
- Кабель Enet Ethernet на OBD2 для BMW MyPads с интерфейсом ESYS
- ICOM Coding F-серии
- Адаптер OBD Plug для BMW Enet Ethernet на интерфейс 2
- BMW Enet Ethernet
Распиновка и для сборки переходника достаточно пяти проводов и одного резистора

Параметры IP
Обязательно нужно указать IP в настройках в Android / MacOS / Windows.
Lixiang :
IP : 172.31.20.88
Mask : 255.255.255.0
Gate : 172.31.20.1
Zeekr :
IP : 169.245.19.22
Mask : 255.255.255.0
Gate : 169.245.19.1
Настройка Static IP для Android
Чтобы этот пункт активировать - нужно подключить RJ45 c сетевым подключением, может быть и любой роутер или машина.
- Открыть настройки
- Подключения
- Другие настройки
- Ethernet

После открытия настроек Ethernet, выберите подключение и перейдите к настройкам IP.

В настройках IP выберите “Статический” и введите параметры IP согласно вашему автомобилю (Lixiang или Zeekr).
Подходящие Android смартфоны
Поддерживаемые телефоны и планшеты 📱:
Работает на Samsung 💚:
- S8Tab
- A16 ( это самый доступный )
- A34,
- A35,
- A36,
- S22 ultra,
- S22 ultra на снапе,
- S24 ultra,
- S25 ultra,
- Samsung Fold5,
- Samsung Fold7
⛔️ НЕ РАБОТАЮТ
Samsung A06Samsung A40Samsung S21 ultraSamsung S20FE, S21FEOneplusSamsung TAB A9+Xiaomi 12xXiaomi 13Xiaomi POCO X3 NFC ( на lineageos )
⁉️ Другие под вопросом, зависит от прошивки, от ядра которое вендор использует.
Самый доступный: Samsung Galaxy A16 SM-A165F
Настройка Static IP для Windows
Открытие настроек сети

Откройте настройки Windows и перейдите в раздел “Сеть и Интернет”.
Настройка IP-адреса

Выберите сетевое подключение Ethernet и откройте его свойства.

В свойствах протокола IPv4 выберите “Использовать следующий IP-адрес” и введите параметры:

Важно: Установите метрику интерфейса (обычно 21 или 22), чтобы Windows использовал это подключение с приоритетом.
Настройка ODB2 в Windows

После настройки сетевого подключения, откройте приложение Lisik ODB2 и проверьте настройки подключения.
Настройка Static IP для MacOS
Открытие настроек сети

Откройте “Системные настройки” → “Сеть” и выберите подключение Ethernet.
Выбор порядка сетевых служб

В настройках сети нажмите на кнопку “Дополнительно” и перейдите на вкладку “Порядок”. Убедитесь, что Ваш внешний WiFi / Lan / Ethernet находится в верхней части списка для приоритетного использования, а USB (ODB2) ниже.
Настройка статического IP

В настройках TCP/IP выберите “Вручную” и введите параметры:
Настройка ODB2 в macOS

После настройки сетевого подключения, откройте приложение Lisik ODB2 и проверьте настройки подключения.
